प्रेस-फिट आणि सोल्डरिंग टॅब एंटरप्राइझसह एक व्यावसायिक टिकाऊ मायक्रो स्विच, स्वीच उत्पादनात 35 वर्षांचा अनुभव आहे, Yueqing Tongda वायर इलेक्ट्रिक फॅक्टरी 'मागणी-चालित कस्टमायझेशन, सुरक्षा सुनिश्चित करणारे तंत्रज्ञान' आणि रॉकर स्विचेस, रेड बटण स्विचेस, PNO/Swits, Micro Buttons, Micro Buttons, Micros Buttons सारख्या उत्पादनांवर लक्ष केंद्रित करते. औद्योगिक, स्मार्ट होम, वैद्यकीय आणि सागरी क्षेत्रांसह विविध क्षेत्रांसाठी सानुकूलित स्विच सोल्यूशन्स. तांत्रिक नवकल्पना आणि कठोर गुणवत्ता नियंत्रणामुळे, सानुकूलित स्विचच्या क्षेत्रात ते एक बेंचमार्क बनले आहे.
सूक्ष्म स्विच परिचय

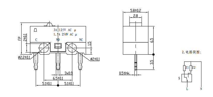
मायक्रो स्विच पॅरामीटर (स्पेसिफिकेशन)
| आयटम | मुख्य तांत्रिक मापदंड |
| 1 | इलेक्ट्रिकल रेटिंग : 3A 250VAC |
| 2 | विद्युत जीवनकाळ: किमान 10000 सायकल |
| 3 | संपर्क प्रतिकार :<50mΩ |
| 4 | ऑपरेटिंग फोर्स: 70±20gf |
| 5 | मुक्त स्थिती:7.3±0.2mm |
| 6 | ऑपरेटिंग स्थिती: 7.0±0.2mm |
| 7 | सभोवतालचे तापमान: T85° |
| 8 | व्होल्टेजचा सामना करा: टर्मिनल आणि टर्मिनल 500V/5S/5mA दरम्यान; |
| टर्मिनल आणि केस 1500/5S/5mA दरम्यान | |
| 9 | इन्सुलेशन प्रतिरोध:>100MΩ टेस्ट व्होल्टेज 500VDC |
| 10 | प्रूफ ट्रॅकिंग इंडेक्स PTI :175V |
सूक्ष्म स्विच तपशील
