कोर स्टँडर्डायझेशन आणि कस्टमायझेशनच्या एकात्मतेला मूर्त स्वरुप देणारे Yueqing Tongda केबल पॉवर प्लांटचे प्रातिनिधिक उत्पादन म्हणून, गॅस वॉटर हीटर आणि गॅस स्टोव्ह मायक्रो स्विच स्विच "स्थिरता, विश्वासार्हता आणि दृश्य सुसंगतता" या मुख्य तत्त्वांसह डिझाइन केलेले आहे. यामध्ये कंपनीचे 35 वर्षांचे स्विच मॅन्युफॅक्चरिंग कौशल्य समाविष्ट केले आहे, ज्यामुळे इलेक्ट्रिकल परफॉर्मन्स, संरक्षण पातळी आणि वापरकर्ता अनुभव यामध्ये एकापेक्षा जास्त ऑप्टिमायझेशन साध्य केले आहे. स्मार्ट होम पॉवर डिस्ट्रिब्युशन, औद्योगिक सहाय्यक उपकरणे आणि लहान वैद्यकीय उपकरणे यांसारख्या परिस्थितींवर स्विच मोठ्या प्रमाणावर लागू आहे, ज्यामुळे ते पसंतीचे सर्किट नियंत्रण घटक बनते जे सार्वभौमिकता सानुकूलित क्षमतेसह संतुलित करते.
मायक्रो स्विचपरिचय
HK-04G-L स्विच मुख्य पॅरामीटर्ससाठी व्यावहारिक आवश्यकतांवर लक्ष केंद्रित करते, विविध परिस्थितींसाठी मूलभूत नियंत्रण मानकांची पूर्तता करते. संपर्क चांदी-टिन मिश्रधातूपासून बनविलेले असतात आणि ≤8mΩ च्या प्रारंभिक संपर्क प्रतिरोधासह, अचूक वेल्डिंगसह प्रक्रिया केली जाते. हे विश्वसनीयरित्या 10A-16A AC करंट (रेट केलेले व्होल्टेज 250V AC) वाहून नेऊ शकते, जे बहुतेक घरगुती आणि लहान औद्योगिक उपकरणांच्या उर्जेच्या मागणीसाठी योग्य आहे, वर्तमान ओव्हरलोडमुळे संपर्क ओव्हरहाटिंग किंवा इरोशनच्या समस्यांना प्रभावीपणे प्रतिबंधित करते.
ट्रिगर आणि आयुर्मान कार्यप्रदर्शन तितकेच विश्वासार्ह आहे: ते रॉकर-प्रकार ट्रिगर संरचना वापरते, 1.3-1.6mm चा दाबणारा प्रवास आणि 1.5-3N च्या आत ऑपरेटिंग फोर्स नियंत्रित केला जातो. सक्रियकरण फीडबॅक स्पष्ट आणि गुळगुळीत आहे, ज्यामुळे दैनंदिन वापरात "प्रतिसादरहित दाब" अनुभवण्याची शक्यता नाही. यांत्रिक आयुर्मान 80,000 दाब चक्रांपर्यंत पोहोचते आणि विद्युत आयुर्मान 50,000 चक्रांपेक्षा जास्त आहे. रेफ्रिजरेटर, छोटे पंखे आणि व्यावसायिक प्रिंटर यांसारख्या उच्च-वारंवारता वापरलेल्या उपकरणांमध्ये, ते 3-5 वर्षांसाठी स्थिर ऑपरेशन साध्य करू शकते.
पर्यावरणीय अनुकूलता पारंपारिक परिस्थितीच्या गरजा पूर्ण करते: उत्पादन -30°C ते 80°C या तापमानाच्या मर्यादेत चालते, उत्तरेकडील हिवाळ्यात कमी तापमान आणि उन्हाळ्यात उष्णतेचे अपव्यय होण्यास सक्षम असते; इन्सुलेशन रेझिस्टन्स ≥50MΩ (500VDC) आहे आणि टर्मिनल व्होल्टेज 800V AC पर्यंत पोहोचते, घरगुती आणि व्यावसायिक वापरासाठी सुरक्षा विद्युत मानकांची पूर्तता करते. याव्यतिरिक्त, आच्छादन ज्वाला-प्रतिरोधक ABS सामग्रीचे बनलेले आहे (UL94 V-1 चे अनुरुप), सर्किट शॉर्ट सर्किटमुळे होणारे सुरक्षितता धोके कमी करते.
मायक्रो स्विचअर्ज
स्मार्ट होम आणि घरगुती परिस्थितींमध्ये, HK-04G-L, त्याच्या कॉम्पॅक्ट आकारासह (अंदाजे 20×15×10mm, L×W×H), स्मार्ट वितरण बॉक्स, भिंतीवर माऊंट केलेले सॉकेट आणि लहान उपकरण नियंत्रण पॅनेलमध्ये सहजपणे एकत्रित केले जाऊ शकते. हे सध्या लाइटिंग कंट्रोल आणि अप्लायन्स पॉवर स्विचिंग यासारख्या कार्यांसाठी अनेक घरगुती स्मार्ट होम ब्रँडद्वारे वापरलेले घटक बनले आहे. एका ब्रँडने नोंदवले की त्याच्यासह सुसज्ज उत्पादनांचा अपयश दर पारंपारिक स्विचपेक्षा 40% कमी आहे.
लहान-स्तरीय औद्योगिक आणि व्यावसायिक परिस्थितींमध्ये, उत्पादन लहान कन्व्हेयर उपकरणे, व्यावसायिक कॉफी मशीन, ऑफिस प्रिंटर आणि इतर उपकरणांच्या पॉवर कंट्रोलसाठी योग्य आहे. टर्मिनल कनेक्शन स्ट्रक्चर ऑप्टिमाइझ करून, ते द्रुत वायरिंग इंस्टॉलेशनला समर्थन देते, डिव्हाइस असेंबली कार्यक्षमता वाढवते. पूर्वी, व्यावसायिक उपकरण निर्मात्यासाठी सानुकूलित आवृत्ती, टर्मिनल अंतर समायोजित करून, त्यांच्या उपकरणांच्या कॉम्पॅक्ट अंतर्गत वायरिंग आवश्यकता पूर्ण करते, स्थापना कार्यक्षमता 25% ने सुधारते.
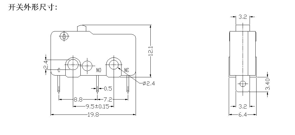
मायक्रो स्विच तपशील
| तांत्रिक वैशिष्ट्ये स्विच करा: | |||
| आयटम | तांत्रिक मापदंड | मूल्य | |
| 1 | इलेक्ट्रिकल रेटिंग | 5(2)A 125V/250VAC 10(3)125V/250VAC | |
| 2 | संपर्क प्रतिकार | ≤50mΩ प्रारंभिक मूल्य | |
| 3 | इन्सुलेशन प्रतिकार | ≥100MΩ (500VDC) | |
| 4 |
डायलेक्ट्रिक व्होल्टेज |
दरम्यान नॉन-कनेक्ट केलेले टर्मिनल |
500V/0.5mA/60S |
| टर्मिनल्स दरम्यान आणि मेटल फ्रेम |
1500V/0.5mA/60S | ||
| 5 | विद्युत जीवन | ≥10000 सायकल | |
| 6 | यांत्रिक जीवन | ≥100000 सायकल | |
| 7 | ऑपरेटिंग तापमान | -25~125℃ | |
| 8 | ऑपरेटिंग वारंवारता | इलेक्ट्रिकल: 15 चक्र यांत्रिक :60 चक्र |
|
| 9 | कंपन पुरावा | कंपन वारंवारता: 10~55HZ; मोठेपणा: 1.5 मिमी; तीन दिशा: 1 एच |
|
| 10 | सोल्डर क्षमता: 80% पेक्षा जास्त विसर्जित भाग सोल्डरने झाकलेले असावे |
सोल्डरिंग तापमान: 235±5℃ विसर्जन वेळ :2~3S |
|
| 11 | सोल्डर उष्णता प्रतिकार | डिप सोल्डरिंग : 260±5℃ 5±1S मॅन्युअल सोल्डरिंग :300±5℃ 2~3S |
|
| 12 | सुरक्षितता मंजूरी | UL,CSA,VDE,ENEC,CE | |
| 13 | चाचणी अटी | सभोवतालचे तापमान: 20±5℃ सापेक्ष आर्द्रता: 65±5% RH हवेचा दाब: 86~106KPa |
|
टोंगडा वायर इलेक्ट्रिक मायक्रो यूएसबी इनलाइन पॉवर स्विच तपशील

