Yueqing Tongda केबल पॉवर प्लांटच्या मायक्रो स्विच सिरीजचे बेंचमार्क मॉडेल म्हणून, HK-14 मध्ये "उच्च संवेदनशीलता, अति-दीर्घ आयुष्य आणि बहु-परिदृश्य अनुकूलता" हे त्याचे मुख्य फायदे आहेत. कंपनीच्या 35 वर्षांच्या स्विच मॅन्युफॅक्चरिंग कौशल्याला एकत्रित करून, हे घरगुती उपकरणे, ऑटोमोटिव्ह इलेक्ट्रॉनिक्स, औद्योगिक ऑटोमेशन आणि इतर क्षेत्रांमध्ये एक प्रमुख नियंत्रण घटक बनले आहे, त्याच्या किमान संपर्क अंतर आणि जलद कृती यंत्रणेमुळे धन्यवाद. त्याची कामगिरी आणि विश्वासार्हता जगभरातील अनेक अधिकृत संस्थांद्वारे प्रमाणित केली गेली आहे, कोनाडा बाजारपेठेत त्याचे मुख्य प्रवाहात स्थान सुरक्षित आहे.
सूक्ष्म स्विच परिचय
WEIPENG® हे एक आघाडीचे डबल ॲक्शन / डीपीडीटी / रोलर लीव्हर एकत्रित मायक्रो स्विच उत्पादक, पुरवठादार आणि निर्यातक आहे.
अल्ट्रा-टिकाऊ गुणवत्ता: प्रबलित संरचनेसह जोडलेले उच्च-वाहकता मिश्र धातु संपर्क 1 दशलक्ष सायकल्सपेक्षा जास्त यांत्रिक आयुर्मान आणि 50,000 पेक्षा जास्त चक्रांचे विद्युत आयुर्मान देतात. ऑटोमोटिव्ह इलेक्ट्रॉनिक्स आणि पॉवर टूल्स सारख्या उच्च-फ्रिक्वेंसी वापर वातावरणात दीर्घकालीन स्थिर ऑपरेशनसाठी आदर्श.
विस्तृत पर्यावरणीय अनुकूलता: -25℃ ते 125℃ या विस्तृत तापमान श्रेणीत चालते, 10-55Hz च्या उच्च-फ्रिक्वेंसी कंपनांना तोंड देते, इन्सुलेशन प्रतिरोधक ≥100MΩ वैशिष्ट्यीकृत करते आणि टर्मिनल 1000V AC चे व्होल्टेज सहन करते. औद्योगिक कार्यशाळेतील कंपन आणि ऑटोमोबाईल इंजिन कंपार्टमेंटमधील उच्च तापमान यासारख्या कठोर परिस्थितीत विश्वसनीय कामगिरी.
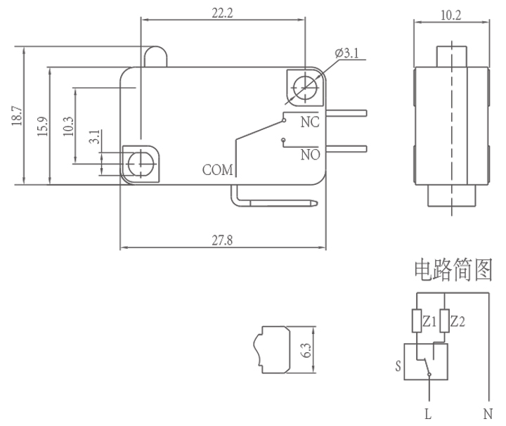
मायक्रो स्विच पॅरामीटर (स्पेसिफिकेशन)
| तांत्रिक वैशिष्ट्ये स्विच करा: | |||
| आयटम | तांत्रिक मापदंड | मूल्य | |
| 1 | इलेक्ट्रिकल रेटिंग | 5(2)A/10A/16(3)A/21(8)A 250VAC | |
| 2 | संपर्क प्रतिकार | ≤30mΩ प्रारंभिक मूल्य | |
| 3 | इन्सुलेशन प्रतिकार | ≥100MΩ (500VDC) | |
| 4 |
डायलेक्ट्रिक व्होल्टेज |
दरम्यान नॉन-कनेक्ट केलेले टर्मिनल |
1000V/0.5mA/60S |
| टर्मिनल्स दरम्यान आणि मेटल फ्रेम |
3000V/0.5mA/60S | ||
| 5 | विद्युत जीवन | ≥50000 सायकल | |
| 6 | यांत्रिक जीवन | ≥1000000 चक्र | |
| 7 | ऑपरेटिंग तापमान | -25~125℃ | |
| 8 | ऑपरेटिंग वारंवारता | इलेक्ट्रिकल : 15 चक्र यांत्रिक: 60 चक्र |
|
| 9 | कंपन पुरावा | कंपन वारंवारता: 10~55HZ; मोठेपणा: 1.5 मिमी; तीन दिशा: 1 एच |
|
| 10 | सोल्डर क्षमता: 80% पेक्षा जास्त विसर्जित भाग सोल्डरने झाकलेले असावे |
सोल्डरिंग तापमान: 235±5℃ विसर्जन वेळ :2~3S |
|
| 11 | सोल्डर उष्णता प्रतिकार | डिप सोल्डरिंग : 260±5℃ 5±1S मॅन्युअल सोल्डरिंग: 300±5℃ 2~3S |
|
| 12 | सुरक्षितता मंजूरी | 5(2)A/10A/16(3)A/21(8)A 250VAC | |
| 13 | चाचणी अटी | सभोवतालचे तापमान: 20±5℃ सापेक्ष आर्द्रता: 65±5% RH हवेचा दाब: 86~106KPa |
|
मायक्रो स्विच वैशिष्ट्य आणि अनुप्रयोग
सूक्ष्म स्विच तपशील


