कोर स्टँडर्डायझेशन आणि कस्टमायझेशनच्या एकात्मतेला मूर्त स्वरुप देणारे युइक्विंग टोंगडा वायर इलेक्ट्रिक फॅक्टरीचे प्रातिनिधिक उत्पादन म्हणून, ज्युसर आणि व्हॅक्यूम क्लीनरसाठी मायक्रो स्विच "स्थिरता, विश्वासार्हता आणि दृश्य सुसंगतता" या मुख्य तत्त्वांसह डिझाइन केलेले आहे. यामध्ये कंपनीचे 35 वर्षांचे स्विच मॅन्युफॅक्चरिंग कौशल्य समाविष्ट केले आहे, ज्यामुळे इलेक्ट्रिकल परफॉर्मन्स, संरक्षण पातळी आणि वापरकर्ता अनुभव यामध्ये एकापेक्षा जास्त ऑप्टिमायझेशन साध्य केले आहे. स्मार्ट होम पॉवर डिस्ट्रिब्युशन, औद्योगिक सहाय्यक उपकरणे आणि लहान वैद्यकीय उपकरणे यांसारख्या परिस्थितींवर स्विच मोठ्या प्रमाणावर लागू आहे, ज्यामुळे ते पसंतीचे सर्किट नियंत्रण घटक बनते जे सार्वभौमिकता सानुकूलित क्षमतेसह संतुलित करते.
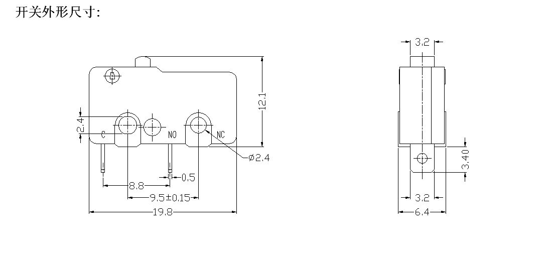
मायक्रो स्विचपरिचय
सूक्ष्म स्विचेस (स्नॅप-ॲक्शन स्विचेस म्हणूनही ओळखले जाते) तात्काळ सक्रियकरण सक्षम करण्यासाठी स्प्रिंग-लोडेड यंत्रणा वापरतात—हळूहळू दाबण्याची आवश्यकता नाही. कोणत्याही विलंब न करता स्थिर कार्यप्रदर्शन सुनिश्चित करून ते संपर्क वेगाने उघडू किंवा बंद करू शकतात. खरेदीदारांसाठी, हे अधिक टिकाऊपणा (संपर्क पोशाख कमी करणे) आणि अचूकतेमध्ये अनुवादित करते, ज्यामुळे जाम स्विचेसमुळे होणारे सुरक्षितता धोके टाळता येतात.
मायक्रो स्विचअर्ज
मायक्रो स्विचेस मोठ्या प्रमाणावर वापरले जातात आणि कार्यक्षमतेमध्ये विश्वासार्ह आहेत, मुख्यतः यामध्ये लागू केले जातात:
- घरगुती उपकरणे: रेफ्रिजरेटर दिवे, मायक्रोवेव्ह ओव्हन दरवाजाचे कुलूप, वॉशिंग मशीनचे झाकण स्विचेस आणि टोस्टर टाइमर.
- औद्योगिक उपकरणे: कन्व्हेयर बेल्ट, यंत्रसामग्री आणि नियंत्रण पॅनेलसाठी योग्य हेवी-ड्युटी मॉडेल (धूळरोधक आणि ओलावा-प्रूफ).
- ऑटोमोटिव्ह फील्ड: विंडशील्ड वाइपर, डोअर-अजर इंडिकेटर — कंपन आणि अति तापमान सहन करण्यास सक्षम.
- इलेक्ट्रॉनिक उपकरणे: रिमोट कंट्रोल्स आणि गेम कंट्रोलर्ससाठी सूक्ष्म स्विच (प्रतिसाद देणारे आणि दीर्घकाळ टिकणारे).
मायक्रो स्विच तपशील
| तांत्रिक वैशिष्ट्ये स्विच करा: | |||
| आयटम | तांत्रिक मापदंड | मूल्य | |
| 1 | इलेक्ट्रिकल रेटिंग | 5(2)A 125V/250VAC 10(3)125V/250VAC | |
| 2 | संपर्क प्रतिकार | ≤50mΩ प्रारंभिक मूल्य | |
| 3 | इन्सुलेशन प्रतिकार | ≥100MΩ (500VDC) | |
| 4 |
डायलेक्ट्रिक व्होल्टेज |
दरम्यान नॉन-कनेक्ट केलेले टर्मिनल |
500V/0.5mA/60S |
| टर्मिनल्स दरम्यान आणि मेटल फ्रेम |
1500V/0.5mA/60S | ||
| 5 | विद्युत जीवन | ≥10000 सायकल | |
| 6 | यांत्रिक जीवन | ≥100000 सायकल | |
| 7 | ऑपरेटिंग तापमान | -25~125℃ | |
| 8 | ऑपरेटिंग वारंवारता | इलेक्ट्रिकल: 15 चक्र यांत्रिक: 60 चक्र |
|
| 9 | कंपन पुरावा | कंपन वारंवारता: 10~55HZ; मोठेपणा: 1.5 मिमी; तीन दिशा: 1 एच |
|
| 10 | सोल्डर क्षमता: 80% पेक्षा जास्त विसर्जित भाग सोल्डरने झाकलेले असावे |
सोल्डरिंग तापमान: 235±5℃ विसर्जन वेळ :2~3S |
|
| 11 | सोल्डर उष्णता प्रतिकार | डिप सोल्डरिंग : 260±5℃ 5±1S मॅन्युअल सोल्डरिंग :300±5℃ 2~3S |
|
| 12 | सुरक्षितता मंजूरी | UL,CSA,VDE,ENEC,CE | |
| 13 | चाचणी अटी | सभोवतालचे तापमान: 20±5℃ सापेक्ष आर्द्रता: 65±5% RH हवेचा दाब: 86~106KPa |
|
टोंगडा वायर इलेक्ट्रिक मायक्रो यूएसबी इनलाइन पॉवर स्विच तपशील
