Yueqing Tongda वायर इलेक्ट्रिक फॅक्टरीच्या मायक्रो स्विच सिरीजचे बेंचमार्क मॉडेल म्हणून, मायक्रोवेव्ह ओव्हन आणि वॉशिंग मशीन मायक्रो स्विचमध्ये "उच्च संवेदनशीलता, अति-दीर्घ आयुष्य आणि बहु-परिदृश्य अनुकूलता" हे त्याचे मुख्य फायदे आहेत. कंपनीच्या 35 वर्षांच्या स्विच मॅन्युफॅक्चरिंग कौशल्याला एकत्रित करून, हे घरगुती उपकरणे, ऑटोमोटिव्ह इलेक्ट्रॉनिक्स, औद्योगिक ऑटोमेशन आणि इतर क्षेत्रांमध्ये एक प्रमुख नियंत्रण घटक बनले आहे, त्याच्या किमान संपर्क अंतर आणि जलद कृती यंत्रणेमुळे धन्यवाद. त्याची कामगिरी आणि विश्वासार्हता जगभरातील अनेक अधिकृत संस्थांद्वारे प्रमाणित केली गेली आहे, कोनाडा बाजारपेठेत त्याचे मुख्य प्रवाहात स्थान सुरक्षित आहे.
सूक्ष्म स्विच परिचय
उत्पादनाने UL, C-UL, ENEC, VDE, CE, CB, TUV, CQC आणि KC यासह प्रमुख जागतिक सुरक्षा प्रमाणपत्रे प्राप्त केली आहेत, IEC 61058 मानकांचे पालन करतात आणि युरोप, अमेरिका आणि आशिया-पॅसिफिक सारख्या क्षेत्रांमध्ये बाजार प्रवेश आवश्यकता पूर्ण करतात. कंपनीने ISO9001 आणि IATF 16949 गुणवत्ता व्यवस्थापन प्रणाली प्रमाणपत्रे प्राप्त केली आहेत आणि संपूर्ण उत्पादन प्रक्रियेत परिष्कृत नियंत्रण सुनिश्चित करून RoHS आणि REACH पर्यावरण निर्देशांची काटेकोरपणे अंमलबजावणी करते. 6 राष्ट्रीय आविष्कार पेटंट आणि 48 उपयुक्तता मॉडेल पेटंटसह, HK-14 मालिका उद्योग-अग्रणी विश्वसनीयता आणि सुसंगतता प्राप्त करते.
स्थापना आणि वापर मार्गदर्शक तत्त्वे
स्थापित करताना, असमान पृष्ठभागामुळे होणारी खराबी किंवा केसिंगचे नुकसान टाळण्यासाठी स्विच सपाट पृष्ठभागावर माउंट केले पाहिजे आणि फ्लॅट वॉशर किंवा स्प्रिंग वॉशरने बांधले गेले पाहिजे. वातावरणावर आधारित मॉडेल निवडा: दमट किंवा धुळीच्या परिस्थितीसाठी, संरक्षण वाढविण्यासाठी सीलबंद सानुकूल आवृत्ती वापरण्याची शिफारस केली जाते. संपर्क चिकटविणे, कार्यात्मक बिघाड किंवा बर्नआउट देखील टाळण्यासाठी बटण किंवा ॲक्ट्युएटरला वंगण तेल लावू नका. स्टोरेज दरम्यान, उत्पादनास कोरड्या, हवेशीर भागात ठेवा, पाऊस किंवा बर्फापासून संरक्षित करा आणि उच्च तापमान आणि आर्द्रता टाळा ज्यामुळे घटक वृद्धत्वास कारणीभूत ठरू शकतात, उत्पादनाची मूळ कार्यक्षमता टिकवून ठेवण्याची खात्री करा.
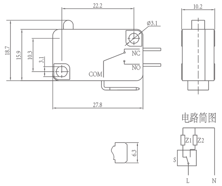
मायक्रो स्विच पॅरामीटर (स्पेसिफिकेशन)
| तांत्रिक वैशिष्ट्ये स्विच करा: | |||
| आयटम | तांत्रिक मापदंड | मूल्य | |
| 1 | इलेक्ट्रिकल रेटिंग | 5(2)A/10A/16(3)A/21(8)A 250VAC | |
| 2 | संपर्क प्रतिकार | ≤30mΩ प्रारंभिक मूल्य | |
| 3 | इन्सुलेशन प्रतिकार | ≥100MΩ (500VDC) | |
| 4 |
डायलेक्ट्रिक व्होल्टेज |
दरम्यान नॉन-कनेक्ट केलेले टर्मिनल |
1000V/0.5mA/60S |
|
टर्मिनल्स दरम्यान आणि मेटल फ्रेम |
3000V/0.5mA/60S | ||
| 5 | विद्युत जीवन | ≥50000 सायकल | |
| 6 | यांत्रिक जीवन | ≥1000000 चक्र | |
| 7 | ऑपरेटिंग तापमान | -25~125℃ | |
| 8 | ऑपरेटिंग वारंवारता |
इलेक्ट्रिकल : 15 चक्र यांत्रिक: 60 चक्र |
|
| 9 | कंपन पुरावा |
कंपन वारंवारता: 10~55HZ; मोठेपणा: 1.5 मिमी; तीन दिशा: 1 एच |
|
| 10 |
सोल्डर क्षमता: 80% पेक्षा जास्त विसर्जित भाग सोल्डरने झाकलेले असावे |
सोल्डरिंग तापमान: 235±5℃ विसर्जन वेळ :2~3S |
|
| 11 | सोल्डर उष्णता प्रतिकार |
डिप सोल्डरिंग : 260±5℃ 5±1S मॅन्युअल सोल्डरिंग: 300±5℃ 2~3S |
|
| 12 | सुरक्षितता मंजूरी | UL,CSA,VDE,ENEC,TUV,CE,KC,CQC | |
| 13 | चाचणी अटी |
सभोवतालचे तापमान: 20±5℃ सापेक्ष आर्द्रता: 65±5% RH हवेचा दाब: 86~106KPa |
|
मायक्रो स्विच वैशिष्ट्य आणि अनुप्रयोग
सूक्ष्म स्विच तपशील
