Yueqing Tongda वायर इलेक्ट्रिक फॅक्टरीच्या मायक्रो स्विच सिरीजचे बेंचमार्क मॉडेल म्हणून, रेफ्रिजरेटर आणि इलेक्ट्रिक खेळण्यांसाठी सामान्यपणे ओपन ऑटोमॅटिक रीसेट मायक्रो स्विचमध्ये "उच्च संवेदनशीलता, अति-दीर्घ आयुष्य आणि बहु-परिदृश्य अनुकूलता" हे त्याचे मुख्य फायदे आहेत. कंपनीच्या 35 वर्षांच्या स्विच मॅन्युफॅक्चरिंग कौशल्याला एकत्रित करून, हे घरगुती उपकरणे, ऑटोमोटिव्ह इलेक्ट्रॉनिक्स, औद्योगिक ऑटोमेशन आणि इतर क्षेत्रांमध्ये एक प्रमुख नियंत्रण घटक बनले आहे, त्याच्या किमान संपर्क अंतर आणि जलद कृती यंत्रणेमुळे धन्यवाद. त्याची कामगिरी आणि विश्वासार्हता जगभरातील अनेक अधिकृत संस्थांद्वारे प्रमाणित केली गेली आहे, कोनाडा बाजारपेठेत त्याचे मुख्य प्रवाहात स्थान सुरक्षित आहे.
सूक्ष्म स्विच परिचय
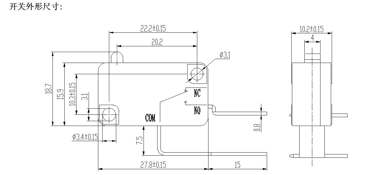
HK-14 मालिका विभेदित अनुप्रयोग आवश्यकता पूर्ण करण्यासाठी अत्यंत लवचिक सानुकूलन पर्याय ऑफर करते. ऑपरेटिंग फोर्स सानुकूलित केले जाऊ शकते (लीव्हर-फ्री स्थितीत 5.0 N पेक्षा कमी, मानक 30±15 gf), ऑपरेटिंग स्ट्रोक श्रेणी 0.6-1.5 मिमी, भिन्न ट्रिगर फोर्स आणि विस्थापन परिस्थितीसाठी योग्य. लीव्हर शैली सानुकूल करण्यायोग्य आहेत, ज्यामध्ये सरळ, वाकलेले आणि रोलर लीव्हर्स समाविष्ट आहेत, जे विविध यांत्रिक ट्रांसमिशन स्ट्रक्चर्सशी जुळू शकतात. संपर्क फॉर्ममध्ये SPDT (1NO 1NC), NO आणि NC ची संपूर्ण श्रेणी समाविष्ट आहे.
मायक्रो स्विच पॅरामीटर (स्पेसिफिकेशन)
| तांत्रिक वैशिष्ट्ये स्विच करा: | |||
| आयटम | तांत्रिक मापदंड | मूल्य | |
| 1 | इलेक्ट्रिकल रेटिंग | 5(2)A/10A/16(3)A/21(8)A 250VAC | |
| 2 | संपर्क प्रतिकार | ≤30mΩ प्रारंभिक मूल्य | |
| 3 | इन्सुलेशन प्रतिकार | ≥100MΩ (500VDC) | |
| 4 |
डायलेक्ट्रिक व्होल्टेज |
दरम्यान नॉन-कनेक्ट केलेले टर्मिनल |
1000V/0.5mA/60S |
|
टर्मिनल्स दरम्यान आणि मेटल फ्रेम |
3000V/0.5mA/60S | ||
| 5 | विद्युत जीवन | ≥50000 सायकल | |
| 6 | यांत्रिक जीवन | ≥1000000 चक्र | |
| 7 | ऑपरेटिंग तापमान | -25~125℃ | |
| 8 | ऑपरेटिंग वारंवारता |
इलेक्ट्रिकल : 15 चक्र यांत्रिक: 60 चक्र |
|
| 9 | कंपन पुरावा |
कंपन वारंवारता: 10~55HZ; मोठेपणा: 1.5 मिमी; तीन दिशा: 1 एच |
|
| 10 |
सोल्डर क्षमता: 80% पेक्षा जास्त विसर्जित भाग सोल्डरने झाकलेले असावे |
सोल्डरिंग तापमान: 235±5℃ विसर्जन वेळ :2~3S |
|
| 11 | सोल्डर उष्णता प्रतिकार |
डिप सोल्डरिंग : 260±5℃ 5±1S मॅन्युअल सोल्डरिंग: 300±5℃ 2~3S |
|
| 12 | सुरक्षितता मंजूरी | UL,CSA,VDE,ENEC,TUV,CE,KC,CQC | |
| 13 | चाचणी अटी |
सभोवतालचे तापमान: 20±5℃ सापेक्ष आर्द्रता: 65±5% RH हवेचा दाब: 86~106KPa |
|
मायक्रो स्विच वैशिष्ट्य आणि अनुप्रयोग
सूक्ष्म स्विच तपशील
