ऑटो पार्ट्समधील प्लग कॉलम प्रकार बटण मायक्रो स्विचमध्ये एक लहान संपर्क मध्यांतर आणि द्रुत कृती यंत्रणा आहे आणि निर्दिष्ट स्ट्रोक आणि फोर्ससह कृती स्विच करण्यासाठी संपर्क यंत्रणा शेलने व्यापलेली आहे आणि बाहेरील प्रसारण आहे आणि आकार लहान आहे.
उत्पादन परिचययक्शन
पुश-टू-पुश मायक्रो स्विच हा एक सामान्य इलेक्ट्रॉनिक घटक आहे जो सर्किटच्या चालू आणि बंद स्थितीवर नियंत्रण ठेवण्यासाठी वापरला जातो. यात सहसा बटण आणि स्विच असते जे बटण दाबले जाते तेव्हा स्थिती बदलते.
पुश बटण स्विच एक चमकदार प्रभाव वापरू शकतात, जेव्हा बटण दाबले जाते तेव्हा वापरकर्त्याचे लक्ष वेधण्यासाठी बटण डोळे मिचकावते.
उत्पादन अर्जtion आणि तपशील
प्लग कॉलम प्रकार बटण मायक्रो स्विच प्रकाश नियंत्रित करण्यासाठी वापरले जाऊ शकतात, जेव्हा बटण दाबले जाते तेव्हा प्रकाश चालू किंवा बंद होईल. याचा उपयोग विद्युत उपकरणे, एअर कंडिशनर इत्यादींच्या स्विचवर नियंत्रण ठेवण्यासाठी देखील केला जाऊ शकतो, औद्योगिक क्षेत्रात, पुश बटण स्विचचा मोठ्या प्रमाणात यांत्रिक उपकरणांचा प्रारंभ आणि स्टॉप नियंत्रित करण्यासाठी वापरला जातो. हे घरगुती, औद्योगिक, ऑटोमोटिव्ह किंवा इलेक्ट्रॉनिक उपकरणे असो, हे या साध्या नियंत्रण घटकापासून अविभाज्य आहे.
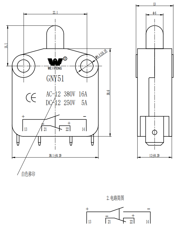
| तांत्रिक वैशिष्ट्ये स्विच करा: | |||
| आयटम | तांत्रिक मापदंड | मूल्य | |
| 1 | इलेक्ट्रिकल रेटिंग | 16 ए 250 व्हीएसी | |
| 2 | संपर्क प्रतिकार | ≤50mω प्रारंभिक मूल्य | |
| 3 | इन्सुलेशन प्रतिकार | ≥100mω (500 व्हीडीसी) | |
| 4 |
डायलेक्ट्रिक व्होल्टेज |
दरम्यान नॉन-कनेक्ट टर्मिनल |
500 व्ही/0.5 एमए/60 एस |
| टर्मिनल दरम्यान आणि मेटल फ्रेम |
1500 व्ही/0.5 एमए/60 एस | ||
| 5 | विद्युत जीवन | ≥50000 चक्र | |
| 6 | यांत्रिक जीवन | ≥100000 चक्र | |
| 7 | ऑपरेटिंग तापमान | -25 ~ 125 ℃ | |
| 8 | ऑपरेटिंग वारंवारता | इलेक्ट्रिकल: 15 चक्र यांत्रिक: 60 चक्र |
|
| 9 | कंपन पुरावा | कंपन वारंवारता: 10 ~ 55 हर्ट्ज; मोठेपणा: 1.5 मिमी; तीन दिशानिर्देश: 1 ता |
|
| 10 | सोल्डर क्षमता: बुडलेल्या भागाच्या 80% पेक्षा जास्त सोल्डरने झाकलेले असेल |
सोल्डरिंग तापमान: 235 ± 5 ℃ विसर्जन वेळ: 2 ~ 3 एस |
|
| 11 | सोल्डर उष्णता प्रतिकार | डिप सोल्डरिंग: 260 ± 5 ℃ 5 ± 1 एस मॅन्युअल सोल्डरिंग: 300 ± 5 ℃ 2 ~ 3 एस |
|
| 12 | सुरक्षा मंजुरी | Ul 、 csa 、 tuv 、 cqc 、 ce | |
| 13 | चाचणी अटी | सभोवतालचे तापमान: 20 ± 5 ℃ सापेक्ष आर्द्रता: 65 ± 5%आरएच हवेचा दाब: 86 ~ 106 केपीए |
|
उत्पादन तपशील


